聯系人:周先生
手機: 18661096189
電話:0510-66836189
傳真:0510-85593843
郵箱:wzyqyb@foxmail.com
地址:無錫市濱湖區胡埭鎮環鎮西路35-2

1. 系統總則
萬周煙塵、煙氣連續在線監測系統設備的功能設計、結構、性能、安裝和試驗等方面的技術要求,均符合國家有關環境保護標準要求,滿足中華人民共和國環境保護行業(HJ/T75-2001、HJ/T76-2001)標準要求。
萬周煙塵、煙氣連續在線監測系統由氣態污染物監測子系統、顆粒物監測子系統、煙氣參數監測子系統與處理子系統組成,其中氣態污染物監測子系統與處理子系統安裝在標準19英寸機柜內。系統組成如下圖:

圖 一、CEMS系統組成圖
氣態污染物監測子系統:由取樣單元、預處理單元和分析單元等組成。
取樣單元:由電加熱取樣探頭、電加熱取樣管線和反吹系統等組成。
預處理單元:由流量傳感器、精細過濾器、壓縮機冷凝器、蠕動泵、采樣泵、溢流裝置、儲水桶、濕度傳感器和流量計等組成。
分析單元:1、采用國產EM-5多組份氣體分析器,精度高,維修成本較低。
粒物監測子系統:1、采用國產煙塵監測儀。

圖 二、CEMS系統安裝示意圖
2. 系統組成
2.1 氣態污染物監測
2.1.1 取樣和預處理單元
樣氣在取樣泵的抽力下由取樣探頭取出。樣氣中的絕大部分顆粒物被取樣探頭中的過濾器濾除,濾除后由伴熱管線輸送到制冷系統冷凝除水,送至分析單元進行分析。冷凝下來的水經排水系統排掉。由控制單元實現自動反吹、自動標定、取樣系統堵塞報警、制冷溫度報警、標氣瓶更換提示等功能,并顯示系統的各種工作狀態。
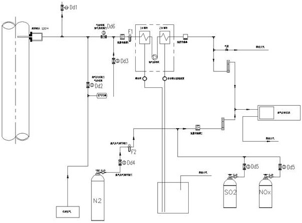
預處理系統中采用二級快速冷凝除水,確保氣體組分不變。采用三級精細過濾,確保氣體測量室不被污染,從而提高分析儀的使用壽命。下圖即為氣態污染物監測系統流程圖。

圖 三、氣態污染物監測系統流程圖
2.1.2 氣體分析儀
1、 EM-5多組分分析儀技術指標
項目 | 規格 |
SO2量程 | 0-100-500-2000ppm及以上,可定制,紫外原理 |
NO量程 | 0-100-500-2000ppm及以上,可定制,紫外原理 |
O2量程 | 0-25%,電化學原理 |
顯示分辨率 | SO2/NO:1ppm,O2:0.1% |
線性度 | ±2%F.S. |
重復性 | ±0.5%F.S. |
零點漂移 | ±2%F.S./7天 |
量程漂移 | ±2%F.S./7天 |
工作溫度范圍 | -10~50℃ |
響應時間 | 10秒 |
尺寸 |
|
4-20mA輸入接口 | 2路,可靈活配置 |
4-20mA輸出接口 | 4路,輸出內容可配置 |
數字量輸入接口 | 4路,可靈活配置 |
開關量輸出接口 | 8路,輸出內容可配置 |
通訊接口 | 1路232,1路485 |
電源/功率 | 220VAC,120W |
預熱時間 | 30秒 |
防護等級 | IP65 |
樣氣流量范圍 | 2L/min±0.5L/min |
樣氣濕度范圍 | <95%rh< p=""> |
CopyRight ©2015-2016 Website(C)無錫市萬周儀器儀表有限公司 All Rights Reserve. 蘇ICP備案編號: 16010260號-2 技術支持:江陰卓越科技